






תכנון זה עושה שימוש ברכזת מחודדת ובחור מחודד תואם, המאפשרים הרכבה בטוחה של גלגל השיניים לפיר באמצעות תותבי נעילה מחודדים, ללא יצירת מרווח.
דגם: גלגל שיניים עם נעילת קונוס מסוג B 20B-1
חומר: C45, נירוסטה, פלדה מוקשחת וכו'.
טיפול פני שטח: שיניים מוקשחות, תחמוצת שחורה, ציפוי אבץ, אלקטרופורזה וכו'.
20B-1 תותב נעילה מחודדתוכנן לביצועים גבוהים ועמידות במערכות העברת כוח. תותב הנעילה המחודד מספק התאמה מכנית בין רכזת גלגל השיניים לפיר, וכתוצאה מכך מתקבלת חיבור חזק ואמין.
בחר בגלגל שיניים עם תותב נעילה מחודד 20B-1 לקבלת עמידות, יעילות ואמינות מעולות ביישומים של העברת כוח.

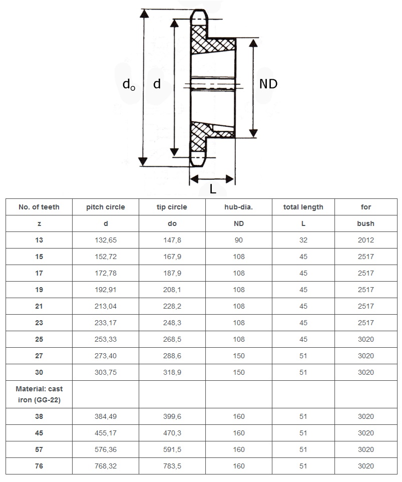
גלגל שיניים עם נעילת קונוס סימפלקס 20B-1 טבלה טכנית
English
Français
Tiếng Việt
Italiano
Nederlands
Türkçe
Svenska
Polski
Română
Latviešu
한국어
Русский
Español
Deutsch
Українська
Português
العربية
Indonesian
Čeština
Suomi
Eesti
Български
Dansk
Lietuvių
Bokmål
Slovenčina
Slovenščina
Ελληνικά
Magyar
עברית