






שרשרת שיניים חדה היא סוג של שרשרת העברה, המבנה שלה מאופיין בסדרה של לוחות שרשרת שיניים ולוחות מנחה המורכבים לסירוגין, ובאמצעות הסיכה או שילוב של אלמנטים מפרקיים המחוברים ליצירת צורה, המרווח הסמוך הוא מפרקים צירים.
שרשרת הקודקוד, המסווגת לפי סוג ההנחיה, כוללת שרשרת שיניים עם הנחיה חיצונית, שרשרת שיניים עם הנחיה פנימית ושרשרת שיניים עם הנחיה פנימית כפולה. שידור שרשרת זה מנצל את השיניים המדויקות של השרשרת וגלגל השיניים כדי להעביר כוח ותנועה, ומבטיח יחס שידור ממוצע מדויק.
לסיכום, שרשראות קוספס אידיאליות ליישומים הדורשים העברת כוח גבוהה בסביבות תובעניות, אך עשויות לא להתאים למשימות הדורשות היפוכים מהירים תכופים או רעש ורטט מינימליים.

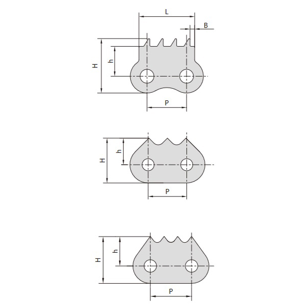
שולחן טכני עם שרשרת עליונה חדה
English
Français
Tiếng Việt
Italiano
Nederlands
Türkçe
Svenska
Polski
Română
Latviešu
한국어
Русский
Español
Deutsch
Українська
Português
العربية
Indonesian
Čeština
Suomi
Eesti
Български
Dansk
Lietuvių
Bokmål
Slovenčina
Slovenščina
Ελληνικά
Magyar
עברית